李工:138-8949-5179 刘工:135-0428-8802
型号查询
轴承型号   常见搜索: 6005轴承 6020轴承 6028轴承 6032轴承 6022轴承 6001轴承
型号查询 X

轴承专区

Bearings Center

23940 CCK/W33 + H 3940轴承-SKF 23940 CCK/W33 + H 3940轴承尺寸、图纸、价格

SKF 23940 CCK/W33 + H 3940轴承

产品名称:23940 CCK/W33 + H 3940轴承 品牌:SKF
类型:SKF轴承 > 滚动轴承 > 球面滚子轴承
描述:23940 CCK/W33 + H 3940轴承是【SKF轴承 > 滚动轴承 > 球面滚子轴承】的型号,主要用在后轮、小型汽车前轮、挖土机履带轮、差速器、铁路车辆车轴、耕耘机、水力发电机、化纤机械、平地机、泥炮等各大领域

 电话/微信:138-8949-5179

SKF 23940 CCK/W33 + H 3940轴承详细信息

23940 CCK/W33 + H 3940轴承是【SKF轴承 > 滚动轴承 > 球面滚子轴承】的型号,主要用在后轮、小型汽车前轮、挖土机履带轮、差速器、铁路车辆车轴、耕耘机、水力发电机、化纤机械、平地机、泥炮等各大领域。

SKF 23940 CCK/W33 + H 3940轴承详细参数

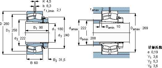
球面滚子轴承, 带紧定套的
主要数据尺寸基本负荷额定值疲劳负荷限值额定速度体积型号
动态静态参照速度限制速度轴承 + 紧定套
d1DBCC0Pu
mmkNkNr/minkg-
180280605461040932000240019,023940 CCK/W33 + H 3940

SKF 23940 CCK/W33 + H 3940轴承尺寸图纸

李工:138-8949-5179

刘工:135-0428-8802

地址:辽宁省大连经济技术开发区现代城3栋-13-13号

在线客服系统