李工:138-8949-5179 刘工:135-0428-8802
型号查询
轴承型号   常见搜索: 6305轴承 6010轴承 6032轴承 6018轴承 6900轴承 7014轴承
型号查询 X

轴承专区

Bearings Center

239/850 CAK/W33 + OH 39/850 H *轴承-SKF 239/850 CAK/W33 + OH 39/850 H *轴承尺寸、图纸、价格

SKF 239/850 CAK/W33 + OH 39/850 H *轴承

产品名称:239/850 CAK/W33 + OH 39/850 H *轴承 品牌:SKF
类型:SKF轴承 > 滚动轴承 > 球面滚子轴承
描述:239/850 CAK/W33 + OH 39/850 H *轴承是【SKF轴承 > 滚动轴承 > 球面滚子轴承】的型号,主要用在农业机械、小型汽车前轮、木工机械、差速器、造纸机械、汽车转向销、钢铁厂、纺织、土方机械、机场加油机等各大领域

 电话/微信:138-8949-5179

SKF 239/850 CAK/W33 + OH 39/850 H *轴承详细信息

239/850 CAK/W33 + OH 39/850 H *轴承是【SKF轴承 > 滚动轴承 > 球面滚子轴承】的型号,主要用在农业机械、小型汽车前轮、木工机械、差速器、造纸机械、汽车转向销、钢铁厂、纺织、土方机械、机场加油机等各大领域。

SKF 239/850 CAK/W33 + OH 39/850 H *轴承详细参数

球面滚子轴承, 带紧定套的
主要数据尺寸基本负荷额定值疲劳负荷限值额定速度体积型号
动态静态参照速度限制速度轴承 + 紧定套
d1DBCC0Pu
* - SKF Explorer 轴承
mmkNkNr/minkg-
8001120200695015600930260480950239/850 CAK/W33 + OH 39/850 H *

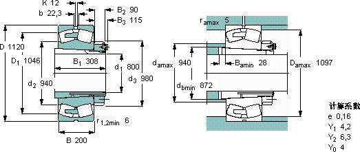
SKF 239/850 CAK/W33 + OH 39/850 H *轴承尺寸图纸

李工:138-8949-5179

刘工:135-0428-8802

地址:辽宁省大连经济技术开发区现代城3栋-13-13号

在线客服系统