李工:138-8949-5179 刘工:135-0428-8802
型号查询
轴承型号   常见搜索: 6015轴承 6009轴承 6004轴承 3214轴承 7014轴承 6001轴承
型号查询 X

轴承专区

Bearings Center

232/710 CAK/W33 + OH 32/710 H轴承-SKF 232/710 CAK/W33 + OH 32/710 H轴承尺寸、图纸、价格

SKF 232/710 CAK/W33 + OH 32/710 H轴承

产品名称:232/710 CAK/W33 + OH 32/710 H轴承 品牌:SKF
类型:SKF轴承 > 滚动轴承 > 球面滚子轴承
描述:232/710 CAK/W33 + OH 32/710 H轴承是【SKF轴承 > 滚动轴承 > 球面滚子轴承】的型号,主要用在电气装置部件、空气压缩机、减速装置、大型农业机械、铁路车辆车轴、汽车转向销、船舶用螺旋桨轴、精细化工机械、掘进机、风力发电设备等各大领域

 电话/微信:138-8949-5179

SKF 232/710 CAK/W33 + OH 32/710 H轴承详细信息

232/710 CAK/W33 + OH 32/710 H轴承是【SKF轴承 > 滚动轴承 > 球面滚子轴承】的型号,主要用在电气装置部件、空气压缩机、减速装置、大型农业机械、铁路车辆车轴、汽车转向销、船舶用螺旋桨轴、精细化工机械、掘进机、风力发电设备等各大领域。

SKF 232/710 CAK/W33 + OH 32/710 H轴承详细参数

球面滚子轴承, 带紧定套的
主要数据尺寸基本负荷额定值疲劳负荷限值额定速度体积型号
动态静态参照速度限制速度轴承 + 紧定套
d1DBCC0Pu
mmkNkNr/minkg-
6701280450176003450020002003202995232/710 CAK/W33 + OH 32/710 H

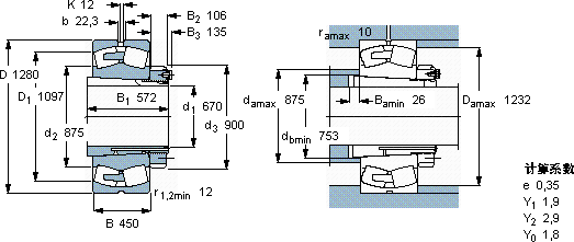
SKF 232/710 CAK/W33 + OH 32/710 H轴承尺寸图纸

李工:138-8949-5179

刘工:135-0428-8802

地址:辽宁省大连经济技术开发区现代城3栋-13-13号

在线客服系统