李工:138-8949-5179 刘工:135-0428-8802
型号查询
轴承型号   常见搜索: 32313轴承 3214轴承 6304轴承 688a轴承 6007轴承 6305轴承
型号查询 X

轴承专区

Bearings Center

2312 K + H 2312轴承-SKF 2312 K + H 2312轴承尺寸、图纸、价格

SKF 2312 K + H 2312轴承

产品名称:2312 K + H 2312轴承 品牌:SKF
类型:SKF轴承 > 滚动轴承 > 自调心球轴承
描述:2312 K + H 2312轴承是【SKF轴承 > 滚动轴承 > 自调心球轴承】的型号,主要用在仪表、各类变速器、压缩机、铁路车辆、减速装置、机床主轴、碾煤机、饮料设备、挖掘机、坦克等各大领域

 电话/微信:138-8949-5179

SKF 2312 K + H 2312轴承详细信息

2312 K + H 2312轴承是【SKF轴承 > 滚动轴承 > 自调心球轴承】的型号,主要用在仪表、各类变速器、压缩机、铁路车辆、减速装置、机床主轴、碾煤机、饮料设备、挖掘机、坦克等各大领域。

SKF 2312 K + H 2312轴承详细参数

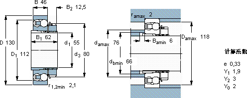
自调心球轴承, 带紧定套, 无密封件
主要数据尺寸基本负荷额定值疲劳负荷限值额定速度体积型号
动态静态参照速度限制速度轴承 + 紧定套
d1DBCC0Pu
mmkNkNr/minkg-
551304687,128,51,46950070002,952312 K + H 2312

SKF 2312 K + H 2312轴承尺寸图纸

李工:138-8949-5179

刘工:135-0428-8802

地址:辽宁省大连经济技术开发区现代城3栋-13-13号

在线客服系统