轴承专区
Bearings Center
23128 CCK/W33 + H 3128轴承-SKF 23128 CCK/W33 + H 3128轴承尺寸、图纸、价格
SKF 23128 CCK/W33 + H 3128轴承
| 产品名称: | 23128 CCK/W33 + H 3128轴承 | 品牌: | SKF |
|---|---|---|---|
| 类型: | SKF轴承 > 滚动轴承 > 球面滚子轴承 | ||
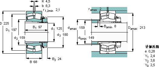
| 描述: | 23128 CCK/W33 + H 3128轴承是【SKF轴承 > 滚动轴承 > 球面滚子轴承】的型号,主要用在各种产业机械、各类变速器、燃汽轮机、铁路车辆、减速装置、机床等的变速装置、发电厂、钟表、压路机、塔式车库等各大领域 | ||
电话/微信:138-8949-5179
SKF 23128 CCK/W33 + H 3128轴承详细信息
23128 CCK/W33 + H 3128轴承是【SKF轴承 > 滚动轴承 > 球面滚子轴承】的型号,主要用在各种产业机械、各类变速器、燃汽轮机、铁路车辆、减速装置、机床等的变速装置、发电厂、钟表、压路机、塔式车库等各大领域。
SKF 23128 CCK/W33 + H 3128轴承详细参数
| 球面滚子轴承, 带紧定套的 | ||||||||||
| 主要数据尺寸 | 基本负荷额定值 | 疲劳负荷限值 | 额定速度 | 体积 | 型号 | |||||
| 动态 | 静态 | 参照速度 | 限制速度 | 轴承 + 紧定套 | ||||||
| d1 | D | B | C | C0 | Pu | |||||
| mm | kN | kN | r/min | kg | - | |||||
| 125 | 225 | 68 | 630 | 900 | 88 | 2200 | 2800 | 14,3 | 23128 CCK/W33 + H 3128 | |
SKF 23128 CCK/W33 + H 3128轴承尺寸图纸

