李工:138-8949-5179 刘工:135-0428-8802
型号查询
轴承型号   常见搜索: 6305轴承 2025轴承 6309轴承 32313轴承 6028轴承 6006轴承
型号查询 X

轴承专区

Bearings Center

231/800 CAK/W33 + OH 31/800 H轴承-SKF 231/800 CAK/W33 + OH 31/800 H轴承尺寸、图纸、价格

SKF 231/800 CAK/W33 + OH 31/800 H轴承

产品名称:231/800 CAK/W33 + OH 31/800 H轴承 品牌:SKF
类型:SKF轴承 > 滚动轴承 > 球面滚子轴承
描述:231/800 CAK/W33 + OH 31/800 H轴承是【SKF轴承 > 滚动轴承 > 球面滚子轴承】的型号,主要用在装卸搬运机械、离心分离机、压缩机、变速器、各类产业用减速机、石油钻机转环、矿山、音像设备、轻工机械、摩天轮等各大领域

 电话/微信:138-8949-5179

SKF 231/800 CAK/W33 + OH 31/800 H轴承详细信息

231/800 CAK/W33 + OH 31/800 H轴承是【SKF轴承 > 滚动轴承 > 球面滚子轴承】的型号,主要用在装卸搬运机械、离心分离机、压缩机、变速器、各类产业用减速机、石油钻机转环、矿山、音像设备、轻工机械、摩天轮等各大领域。

SKF 231/800 CAK/W33 + OH 31/800 H轴承详细参数

球面滚子轴承, 带紧定套的
主要数据尺寸基本负荷额定值疲劳负荷限值额定速度体积型号
动态静态参照速度限制速度轴承 + 紧定套
d1DBCC0Pu
mmkNkNr/minkg-
7501280375148003150018002004002430231/800 CAK/W33 + OH 31/800 H

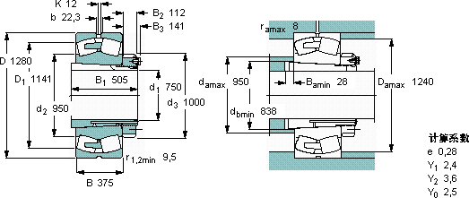
SKF 231/800 CAK/W33 + OH 31/800 H轴承尺寸图纸

李工:138-8949-5179

刘工:135-0428-8802

地址:辽宁省大连经济技术开发区现代城3栋-13-13号

在线客服系统