李工:138-8949-5179 刘工:135-0428-8802
型号查询
轴承型号   常见搜索: 6012轴承 2025轴承 6003轴承 6026轴承 6305轴承 6016轴承
型号查询 X

轴承专区

Bearings Center

23024 CCK/W33 + H 3024 *轴承-SKF 23024 CCK/W33 + H 3024 *轴承尺寸、图纸、价格

SKF 23024 CCK/W33 + H 3024 *轴承

产品名称:23024 CCK/W33 + H 3024 *轴承 品牌:SKF
类型:SKF轴承 > 滚动轴承 > 球面滚子轴承
描述:23024 CCK/W33 + H 3024 *轴承是【SKF轴承 > 滚动轴承 > 球面滚子轴承】的型号,主要用在后轮、燃料喷射泵、汽车发动机、齿轮减速装置、造纸机械、石油钻机、水力发电机、烟草机械、给料机械、泥炮等各大领域

 电话/微信:138-8949-5179

SKF 23024 CCK/W33 + H 3024 *轴承详细信息

23024 CCK/W33 + H 3024 *轴承是【SKF轴承 > 滚动轴承 > 球面滚子轴承】的型号,主要用在后轮、燃料喷射泵、汽车发动机、齿轮减速装置、造纸机械、石油钻机、水力发电机、烟草机械、给料机械、泥炮等各大领域。

SKF 23024 CCK/W33 + H 3024 *轴承详细参数

球面滚子轴承, 带紧定套的
主要数据尺寸基本负荷额定值疲劳负荷限值额定速度体积型号
动态静态参照速度限制速度轴承 + 紧定套
d1DBCC0Pu
* - SKF Explorer 轴承
mmkNkNr/minkg-
1101804635551053320040005,9523024 CCK/W33 + H 3024 *

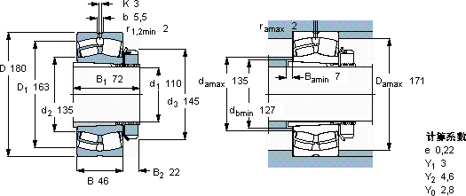
SKF 23024 CCK/W33 + H 3024 *轴承尺寸图纸

李工:138-8949-5179

刘工:135-0428-8802

地址:辽宁省大连经济技术开发区现代城3栋-13-13号

在线客服系统