李工:138-8949-5179 刘工:135-0428-8802
型号查询
轴承型号   常见搜索: 6019轴承 23136轴承 6214轴承 71913轴承 6001轴承 6906轴承
型号查询 X

轴承专区

Bearings Center

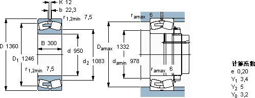
230/950 CA/W33轴承-SKF 230/950 CA/W33轴承尺寸、图纸、价格

SKF 230/950 CA/W33轴承

产品名称:230/950 CA/W33轴承 品牌:SKF
类型:SKF轴承 > 滚动轴承 > 球面滚子轴承
描述:230/950 CA/W33轴承是【SKF轴承 > 滚动轴承 > 球面滚子轴承】的型号,主要用在农业机械、燃汽轮机、变速器、后轮、轧钢机辊道子、起重机吊钩、钢铁厂、医药设备、强夯机、刮泥机等各大领域

 电话/微信:138-8949-5179

SKF 230/950 CA/W33轴承详细信息

230/950 CA/W33轴承是【SKF轴承 > 滚动轴承 > 球面滚子轴承】的型号,主要用在农业机械、燃汽轮机、变速器、后轮、轧钢机辊道子、起重机吊钩、钢铁厂、医药设备、强夯机、刮泥机等各大领域。

SKF 230/950 CA/W33轴承详细参数

球面滚子轴承, 圆柱和圆锥孔, 圆柱型内孔, 无密封件
主要数据尺寸基本负荷额定值疲劳负荷限值额定速度体积型号
动态静态参照速度限制速度
dDBCC0Pu
mmkNkNr/minkg-
9501360300120002850016002003801450230/950 CA/W33

SKF 230/950 CA/W33轴承尺寸图纸

李工:138-8949-5179

刘工:135-0428-8802

地址:辽宁省大连经济技术开发区现代城3栋-13-13号

在线客服系统