李工:138-8949-5179 刘工:135-0428-8802
型号查询
轴承型号   常见搜索: 6016轴承 71913轴承 6304轴承 1轴承 6013轴承 6003轴承
型号查询 X

轴承专区

Bearings Center

22336 CCK/W33 + H 2336 *轴承-SKF 22336 CCK/W33 + H 2336 *轴承尺寸、图纸、价格

SKF 22336 CCK/W33 + H 2336 *轴承

产品名称:22336 CCK/W33 + H 2336 *轴承 品牌:SKF
类型:SKF轴承 > 滚动轴承 > 球面滚子轴承
描述:22336 CCK/W33 + H 2336 *轴承是【SKF轴承 > 滚动轴承 > 球面滚子轴承】的型号,主要用在建筑机械、各类变速器、中型及大型电动机、铁路车辆、破碎机、机床等的变速装置、成形机、啤酒、工程船舶、港口起重机等各大领域

 电话/微信:138-8949-5179

SKF 22336 CCK/W33 + H 2336 *轴承详细信息

22336 CCK/W33 + H 2336 *轴承是【SKF轴承 > 滚动轴承 > 球面滚子轴承】的型号,主要用在建筑机械、各类变速器、中型及大型电动机、铁路车辆、破碎机、机床等的变速装置、成形机、啤酒、工程船舶、港口起重机等各大领域。

SKF 22336 CCK/W33 + H 2336 *轴承详细参数

球面滚子轴承, 带紧定套的
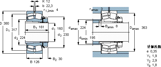
主要数据尺寸基本负荷额定值疲劳负荷限值额定速度体积型号
动态静态参照速度限制速度轴承 + 紧定套
d1DBCC0Pu
* - SKF Explorer 轴承
mmkNkNr/minkg-
160380126200024501931300170080,022336 CCK/W33 + H 2336 *

SKF 22336 CCK/W33 + H 2336 *轴承尺寸图纸

李工:138-8949-5179

刘工:135-0428-8802

地址:辽宁省大连经济技术开发区现代城3栋-13-13号

在线客服系统