李工:138-8949-5179 刘工:135-0428-8802
型号查询
轴承型号   常见搜索: 2026轴承 6021轴承 6009轴承 6018轴承 3214轴承 32313轴承
型号查询 X

轴承专区

Bearings Center

22315 EK + AHX 2315 G *轴承-SKF 22315 EK + AHX 2315 G *轴承尺寸、图纸、价格

SKF 22315 EK + AHX 2315 G *轴承

产品名称:22315 EK + AHX 2315 G *轴承 品牌:SKF
类型:SKF轴承 > 滚动轴承 > 球面滚子轴承
描述:22315 EK + AHX 2315 G *轴承是【SKF轴承 > 滚动轴承 > 球面滚子轴承】的型号,主要用在电气装置部件、燃汽轮机、泵、后轮、轧钢机辊道子、石油钻机、船舶用螺旋桨轴、纺织、解体机、风力发电设备等各大领域

 电话/微信:138-8949-5179

SKF 22315 EK + AHX 2315 G *轴承详细信息

22315 EK + AHX 2315 G *轴承是【SKF轴承 > 滚动轴承 > 球面滚子轴承】的型号,主要用在电气装置部件、燃汽轮机、泵、后轮、轧钢机辊道子、石油钻机、船舶用螺旋桨轴、纺织、解体机、风力发电设备等各大领域。

SKF 22315 EK + AHX 2315 G *轴承详细参数

球面滚子轴承, 带退卸套的
主要数据尺寸基本负荷额定值疲劳负荷限值额定速度体积型号
动态静态参照速度限制速度轴承 +退卸套
d1DBCC0Pu
* - SKF Explorer 轴承
mmkNkNr/minkg-
701605544047548320043006,0022315 EK + AHX 2315 G *

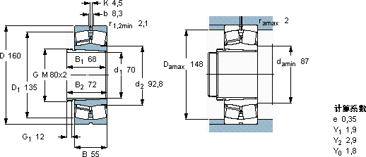
SKF 22315 EK + AHX 2315 G *轴承尺寸图纸

李工:138-8949-5179

刘工:135-0428-8802

地址:辽宁省大连经济技术开发区现代城3栋-13-13号

在线客服系统