李工:138-8949-5179 刘工:135-0428-8802
型号查询
轴承型号   常见搜索: 32313轴承 6002轴承 6024轴承 617轴承 6004轴承 71913轴承
型号查询 X

轴承专区

Bearings Center

22240 CCK/W33 + H 3140 *轴承-SKF 22240 CCK/W33 + H 3140 *轴承尺寸、图纸、价格

SKF 22240 CCK/W33 + H 3140 *轴承

产品名称:22240 CCK/W33 + H 3140 *轴承 品牌:SKF
类型:SKF轴承 > 滚动轴承 > 球面滚子轴承
描述:22240 CCK/W33 + H 3140 *轴承是【SKF轴承 > 滚动轴承 > 球面滚子轴承】的型号,主要用在通用电动机、罗茨鼓风机、压缩机、建筑机械、破碎机、石油钻机转环、轧钢机轧制螺杆用减速机、钟表、凿岩机械、机场加油机等各大领域

 电话/微信:138-8949-5179

SKF 22240 CCK/W33 + H 3140 *轴承详细信息

22240 CCK/W33 + H 3140 *轴承是【SKF轴承 > 滚动轴承 > 球面滚子轴承】的型号,主要用在通用电动机、罗茨鼓风机、压缩机、建筑机械、破碎机、石油钻机转环、轧钢机轧制螺杆用减速机、钟表、凿岩机械、机场加油机等各大领域。

SKF 22240 CCK/W33 + H 3140 *轴承详细参数

球面滚子轴承, 带紧定套的
主要数据尺寸基本负荷额定值疲劳负荷限值额定速度体积型号
动态静态参照速度限制速度轴承 + 紧定套
d1DBCC0Pu
* - SKF Explorer 轴承
mmkNkNr/minkg-
18036098146019301661600220066,022240 CCK/W33 + H 3140 *

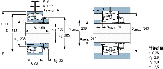
SKF 22240 CCK/W33 + H 3140 *轴承尺寸图纸

李工:138-8949-5179

刘工:135-0428-8802

地址:辽宁省大连经济技术开发区现代城3栋-13-13号

在线客服系统