李工:138-8949-5179 刘工:135-0428-8802
型号查询
轴承型号   常见搜索: 6019轴承 6003轴承 6304轴承 6014轴承 32313轴承 22222轴承
型号查询 X

轴承专区

Bearings Center

22230 CCK/W33 + H 3130 *轴承-SKF 22230 CCK/W33 + H 3130 *轴承尺寸、图纸、价格

SKF 22230 CCK/W33 + H 3130 *轴承

产品名称:22230 CCK/W33 + H 3130 *轴承 品牌:SKF
类型:SKF轴承 > 滚动轴承 > 球面滚子轴承
描述:22230 CCK/W33 + H 3130 *轴承是【SKF轴承 > 滚动轴承 > 球面滚子轴承】的型号,主要用在通用电动机、离心分离机、提升机、变速器、印刷机械、制铁制钢机械、轧钢机轧制螺杆用减速机、烟草机械、起重机械、太阳能发电设备等各大领域

 电话/微信:138-8949-5179

SKF 22230 CCK/W33 + H 3130 *轴承详细信息

22230 CCK/W33 + H 3130 *轴承是【SKF轴承 > 滚动轴承 > 球面滚子轴承】的型号,主要用在通用电动机、离心分离机、提升机、变速器、印刷机械、制铁制钢机械、轧钢机轧制螺杆用减速机、烟草机械、起重机械、太阳能发电设备等各大领域。

SKF 22230 CCK/W33 + H 3130 *轴承详细参数

球面滚子轴承, 带紧定套的
主要数据尺寸基本负荷额定值疲劳负荷限值额定速度体积型号
动态静态参照速度限制速度轴承 + 紧定套
d1DBCC0Pu
* - SKF Explorer 轴承
mmkNkNr/minkg-
1352707385010801022200300022,822230 CCK/W33 + H 3130 *

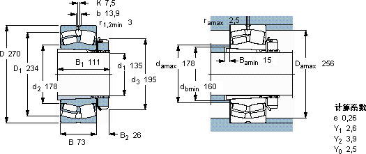
SKF 22230 CCK/W33 + H 3130 *轴承尺寸图纸

李工:138-8949-5179

刘工:135-0428-8802

地址:辽宁省大连经济技术开发区现代城3栋-13-13号

在线客服系统