李工:138-8949-5179 刘工:135-0428-8802
型号查询
轴承型号   常见搜索: 6309轴承 71913轴承 6013轴承 23136轴承 6900轴承 32313轴承
型号查询 X

轴承专区

Bearings Center

22224 EK + AHX 3124 *轴承-SKF 22224 EK + AHX 3124 *轴承尺寸、图纸、价格

SKF 22224 EK + AHX 3124 *轴承

产品名称:22224 EK + AHX 3124 *轴承 品牌:SKF
类型:SKF轴承 > 滚动轴承 > 球面滚子轴承
描述:22224 EK + AHX 3124 *轴承是【SKF轴承 > 滚动轴承 > 球面滚子轴承】的型号,主要用在通用电动机、罗茨鼓风机、桥式起重机、建筑机械、轧钢机齿轮箱座、石油钻机转环、轧钢机轧制螺杆用减速机、薄膜拉伸、轻工机械、机场加油机等各大领域

 电话/微信:138-8949-5179

SKF 22224 EK + AHX 3124 *轴承详细信息

22224 EK + AHX 3124 *轴承是【SKF轴承 > 滚动轴承 > 球面滚子轴承】的型号,主要用在通用电动机、罗茨鼓风机、桥式起重机、建筑机械、轧钢机齿轮箱座、石油钻机转环、轧钢机轧制螺杆用减速机、薄膜拉伸、轻工机械、机场加油机等各大领域。

SKF 22224 EK + AHX 3124 *轴承详细参数

球面滚子轴承, 带退卸套的
主要数据尺寸基本负荷额定值疲劳负荷限值额定速度体积型号
动态静态参照速度限制速度轴承 +退卸套
d1DBCC0Pu
* - SKF Explorer 轴承
mmkNkNr/minkg-
1152155863076573,5280038009,5522224 EK + AHX 3124 *

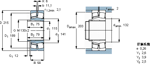
SKF 22224 EK + AHX 3124 *轴承尺寸图纸

李工:138-8949-5179

刘工:135-0428-8802

地址:辽宁省大连经济技术开发区现代城3栋-13-13号

在线客服系统