李工:138-8949-5179 刘工:135-0428-8802
型号查询
轴承型号   常见搜索: 23136轴承 6205轴承 6906轴承 6017轴承 6011轴承 3214轴承
型号查询 X

轴承专区

Bearings Center

22222 E/W64 *轴承-SKF 22222 E/W64 *轴承尺寸、图纸、价格

SKF 22222 E/W64 *轴承

产品名称:22222 E/W64 *轴承 品牌:SKF
类型:SKF轴承 > 滚动轴承 > 球面滚子轴承
描述:22222 E/W64 *轴承是【SKF轴承 > 滚动轴承 > 球面滚子轴承】的型号,主要用在家用电器、空气压缩机、燃汽轮机、大型农业机械、振动筛、耕耘机、塔吊、塑料、地基处理机械、雷达等各大领域

 电话/微信:138-8949-5179

SKF 22222 E/W64 *轴承详细信息

22222 E/W64 *轴承是【SKF轴承 > 滚动轴承 > 球面滚子轴承】的型号,主要用在家用电器、空气压缩机、燃汽轮机、大型农业机械、振动筛、耕耘机、塔吊、塑料、地基处理机械、雷达等各大领域。

SKF 22222 E/W64 *轴承详细参数

球面滚子轴承, 圆柱型内孔,含Solid Oil, 圆柱型内孔
主要数据尺寸基本负荷额定值疲劳负荷限值限制速度体积型号
动态静态
dDBCC0Pu * - SKF Explorer 轴承
mmkNkNr/minkg-
11020053560640632607,0022222 E/W64 *

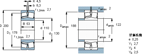
SKF 22222 E/W64 *轴承尺寸图纸

李工:138-8949-5179

刘工:135-0428-8802

地址:辽宁省大连经济技术开发区现代城3栋-13-13号

在线客服系统