李工:138-8949-5179 刘工:135-0428-8802
型号查询
轴承型号   常见搜索: 6019轴承 6900轴承 71913轴承 32313轴承 6014轴承 617轴承
型号查询 X

轴承专区

Bearings Center

22212 EK + H 312 *轴承-SKF 22212 EK + H 312 *轴承尺寸、图纸、价格

SKF 22212 EK + H 312 *轴承

产品名称:22212 EK + H 312 *轴承 品牌:SKF
类型:SKF轴承 > 滚动轴承 > 球面滚子轴承
描述:22212 EK + H 312 *轴承是【SKF轴承 > 滚动轴承 > 球面滚子轴承】的型号,主要用在建筑机械、印刷机械、提升机、轧钢机辊颈、破碎机、石油钻机转环、成形机、制鞋、凿岩机械、焊接机器人等各大领域

 电话/微信:138-8949-5179

SKF 22212 EK + H 312 *轴承详细信息

22212 EK + H 312 *轴承是【SKF轴承 > 滚动轴承 > 球面滚子轴承】的型号,主要用在建筑机械、印刷机械、提升机、轧钢机辊颈、破碎机、石油钻机转环、成形机、制鞋、凿岩机械、焊接机器人等各大领域。

SKF 22212 EK + H 312 *轴承详细参数

球面滚子轴承, 带紧定套的
主要数据尺寸基本负荷额定值疲劳负荷限值额定速度体积型号
动态静态参照速度限制速度轴承 + 紧定套
d1DBCC0Pu
* - SKF Explorer 轴承
mmkNkNr/minkg-
551102815616618,6560075001,4522212 EK + H 312 *

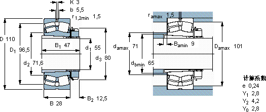
SKF 22212 EK + H 312 *轴承尺寸图纸

李工:138-8949-5179

刘工:135-0428-8802

地址:辽宁省大连经济技术开发区现代城3栋-13-13号

在线客服系统