李工:138-8949-5179 刘工:135-0428-8802
型号查询
轴承型号   常见搜索: 71913轴承 6009轴承 6214轴承 6014轴承 6019轴承 2025轴承
型号查询 X

轴承专区

Bearings Center

22206 EK + H 306 *轴承-SKF 22206 EK + H 306 *轴承尺寸、图纸、价格

SKF 22206 EK + H 306 *轴承

产品名称:22206 EK + H 306 *轴承 品牌:SKF
类型:SKF轴承 > 滚动轴承 > 球面滚子轴承
描述:22206 EK + H 306 *轴承是【SKF轴承 > 滚动轴承 > 球面滚子轴承】的型号,主要用在仪表、罗茨鼓风机、变速器、建筑机械、各类产业用减速机、石油钻机转环、碾煤机、烟草机械、凿岩机械、厨具设备等各大领域

 电话/微信:138-8949-5179

SKF 22206 EK + H 306 *轴承详细信息

22206 EK + H 306 *轴承是【SKF轴承 > 滚动轴承 > 球面滚子轴承】的型号,主要用在仪表、罗茨鼓风机、变速器、建筑机械、各类产业用减速机、石油钻机转环、碾煤机、烟草机械、凿岩机械、厨具设备等各大领域。

SKF 22206 EK + H 306 *轴承详细参数

球面滚子轴承, 带紧定套的
主要数据尺寸基本负荷额定值疲劳负荷限值额定速度体积型号
动态静态参照速度限制速度轴承 + 紧定套
d1DBCC0Pu
* - SKF Explorer 轴承
mmkNkNr/minkg-
25622064606,410000140000,3922206 EK + H 306 *

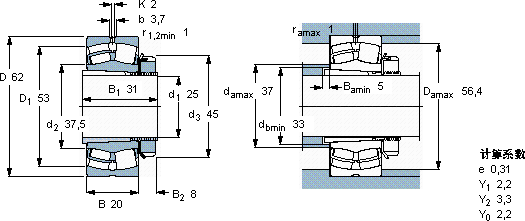
SKF 22206 EK + H 306 *轴承尺寸图纸

李工:138-8949-5179

刘工:135-0428-8802

地址:辽宁省大连经济技术开发区现代城3栋-13-13号

在线客服系统