李工:138-8949-5179 刘工:135-0428-8802
型号查询
轴承型号   常见搜索: 1轴承 6028轴承 3214轴承 6022轴承 6024轴承 6021轴承
型号查询 X

轴承专区

Bearings Center

2211 EKTN9轴承-SKF 2211 EKTN9轴承尺寸、图纸、价格

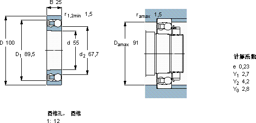
SKF 2211 EKTN9轴承

产品名称:2211 EKTN9轴承 品牌:SKF
类型:SKF轴承 > 滚动轴承 > 自调心球轴承
描述:2211 EKTN9轴承是【SKF轴承 > 滚动轴承 > 自调心球轴承】的型号,主要用在后轮、空气压缩机、提升机、大型农业机械、振动筛、汽车转向销、水力发电机、玩具、土方机械、焊接机器人等各大领域

 电话/微信:138-8949-5179

SKF 2211 EKTN9轴承详细信息

2211 EKTN9轴承是【SKF轴承 > 滚动轴承 > 自调心球轴承】的型号,主要用在后轮、空气压缩机、提升机、大型农业机械、振动筛、汽车转向销、水力发电机、玩具、土方机械、焊接机器人等各大领域。

SKF 2211 EKTN9轴承详细参数

自调心球轴承, 圆柱孔和圆锥孔, 圆锥型内孔, 无密封件
主要数据尺寸基本负荷额定值疲劳负荷限值额定速度体积型号
动态静态参照速度限制速度
dDBCC0Pu
mmkNkNr/minkg-
55100253913,40,71200085000,812211 EKTN9

SKF 2211 EKTN9轴承尺寸图纸

李工:138-8949-5179

刘工:135-0428-8802

地址:辽宁省大连经济技术开发区现代城3栋-13-13号

在线客服系统