轴承专区
Bearings Center
2209 EKTN9 + H 309轴承-SKF 2209 EKTN9 + H 309轴承尺寸、图纸、价格
SKF 2209 EKTN9 + H 309轴承
| 产品名称: | 2209 EKTN9 + H 309轴承 | 品牌: | SKF |
|---|---|---|---|
| 类型: | SKF轴承 > 滚动轴承 > 自调心球轴承 | ||
| 描述: | 2209 EKTN9 + H 309轴承是【SKF轴承 > 滚动轴承 > 自调心球轴承】的型号,主要用在电气装置部件、小型汽车前轮、泵、差速器、轧钢机辊道子、汽车转向销、船舶用螺旋桨轴、饮料设备、土方机械、伽玛等各大领域 | ||
电话/微信:138-8949-5179
SKF 2209 EKTN9 + H 309轴承详细信息
2209 EKTN9 + H 309轴承是【SKF轴承 > 滚动轴承 > 自调心球轴承】的型号,主要用在电气装置部件、小型汽车前轮、泵、差速器、轧钢机辊道子、汽车转向销、船舶用螺旋桨轴、饮料设备、土方机械、伽玛等各大领域。
SKF 2209 EKTN9 + H 309轴承详细参数
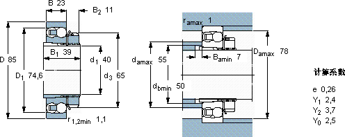
| 自调心球轴承, 带紧定套, 无密封件 | ||||||||||
| 主要数据尺寸 | 基本负荷额定值 | 疲劳负荷限值 | 额定速度 | 体积 | 型号 | |||||
| 动态 | 静态 | 参照速度 | 限制速度 | 轴承 + 紧定套 | ||||||
| d1 | D | B | C | C0 | Pu | |||||
| mm | kN | kN | r/min | kg | - | |||||
| 40 | 85 | 23 | 32,5 | 10,6 | 0,54 | 15000 | 10000 | 0,78 | 2209 EKTN9 + H 309 | |
SKF 2209 EKTN9 + H 309轴承尺寸图纸

