轴承专区
Bearings Center
219-Z轴承-SKF 219-Z轴承尺寸、图纸、价格
SKF 219-Z轴承
| 产品名称: | 219-Z轴承 | 品牌: | SKF |
|---|---|---|---|
| 类型: | SKF轴承 > 滚动轴承 > 深沟球轴承 | ||
| 描述: | 219-Z轴承是【SKF轴承 > 滚动轴承 > 深沟球轴承】的型号,主要用在装卸搬运机械、高频马达、发电机、前轮、各类产业用减速机、机床主轴、矿山、钟表、混凝土机械、伽玛等各大领域 | ||
电话/微信:138-8949-5179
SKF 219-Z轴承详细信息
219-Z轴承是【SKF轴承 > 滚动轴承 > 深沟球轴承】的型号,主要用在装卸搬运机械、高频马达、发电机、前轮、各类产业用减速机、机床主轴、矿山、钟表、混凝土机械、伽玛等各大领域。
SKF 219-Z轴承详细参数
| 深沟球轴承, 单列,带装球缺口, 单面防尘罩 | ||||||||||
| 主要数据尺寸 | 基本负荷额定值 | 疲劳负荷限值 | 额定速度 | 体积 | 型号 | |||||
| 动态 | 静态 | 参照速度 | 限制速度 | |||||||
| d | D | B | C | C0 | Pu | |||||
| mm | kN | kN | r/min | kg | - | |||||
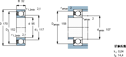
| 95 | 170 | 32 | 121 | 122 | 4,5 | 6700 | 4300 | 2,70 | 219-Z | |
SKF 219-Z轴承尺寸图纸

