李工:138-8949-5179 刘工:135-0428-8802
型号查询
轴承型号   常见搜索: 6018轴承 6017轴承 32313轴承 6214轴承 2025轴承 6013轴承
型号查询 X

轴承专区

Bearings Center

21312 EK + AHX 312 *轴承-SKF 21312 EK + AHX 312 *轴承尺寸、图纸、价格

SKF 21312 EK + AHX 312 *轴承

产品名称:21312 EK + AHX 312 *轴承 品牌:SKF
类型:SKF轴承 > 滚动轴承 > 球面滚子轴承
描述:21312 EK + AHX 312 *轴承是【SKF轴承 > 滚动轴承 > 球面滚子轴承】的型号,主要用在内燃机、小型汽车前轮、桥式起重机、差速器、轧钢机辊道子、汽车转向销、挤压机、破碎、掘进机、码垛机器人等各大领域

 电话/微信:138-8949-5179

SKF 21312 EK + AHX 312 *轴承详细信息

21312 EK + AHX 312 *轴承是【SKF轴承 > 滚动轴承 > 球面滚子轴承】的型号,主要用在内燃机、小型汽车前轮、桥式起重机、差速器、轧钢机辊道子、汽车转向销、挤压机、破碎、掘进机、码垛机器人等各大领域。

SKF 21312 EK + AHX 312 *轴承详细参数

球面滚子轴承, 带退卸套的
主要数据尺寸基本负荷额定值疲劳负荷限值额定速度体积型号
动态静态参照速度限制速度轴承 +退卸套
d1DBCC0Pu
* - SKF Explorer 轴承
mmkNkNr/minkg-
551303121224026,5480063002,2021312 EK + AHX 312 *

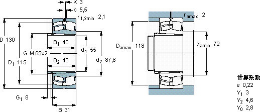
SKF 21312 EK + AHX 312 *轴承尺寸图纸

李工:138-8949-5179

刘工:135-0428-8802

地址:辽宁省大连经济技术开发区现代城3栋-13-13号

在线客服系统