李工:138-8949-5179 刘工:135-0428-8802
型号查询
轴承型号   常见搜索: 6004轴承 6214轴承 6304轴承 6006轴承 6009轴承 71913轴承
型号查询 X

轴承专区

Bearings Center

21312 E/W64 *轴承-SKF 21312 E/W64 *轴承尺寸、图纸、价格

SKF 21312 E/W64 *轴承

产品名称:21312 E/W64 *轴承 品牌:SKF
类型:SKF轴承 > 滚动轴承 > 球面滚子轴承
描述:21312 E/W64 *轴承是【SKF轴承 > 滚动轴承 > 球面滚子轴承】的型号,主要用在农业机械、机床主轴、挖土机履带轮、汽车、木工机械、耕耘机、钢铁厂、制鞋、平地机、太阳能发电设备等各大领域

 电话/微信:138-8949-5179

SKF 21312 E/W64 *轴承详细信息

21312 E/W64 *轴承是【SKF轴承 > 滚动轴承 > 球面滚子轴承】的型号,主要用在农业机械、机床主轴、挖土机履带轮、汽车、木工机械、耕耘机、钢铁厂、制鞋、平地机、太阳能发电设备等各大领域。

SKF 21312 E/W64 *轴承详细参数

球面滚子轴承, 圆柱型内孔,含Solid Oil, 圆柱型内孔
主要数据尺寸基本负荷额定值疲劳负荷限值限制速度体积型号
动态静态
dDBCC0Pu * - SKF Explorer 轴承
mmkNkNr/minkg-
601303121224026,54402,1021312 E/W64 *

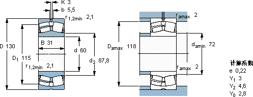
SKF 21312 E/W64 *轴承尺寸图纸

李工:138-8949-5179

刘工:135-0428-8802

地址:辽宁省大连经济技术开发区现代城3栋-13-13号

在线客服系统