轴承专区
Bearings Center
21307 CC轴承-SKF 21307 CC轴承尺寸、图纸、价格
SKF 21307 CC轴承
| 产品名称: | 21307 CC轴承 | 品牌: | SKF |
|---|---|---|---|
| 类型: | SKF轴承 > 滚动轴承 > 球面滚子轴承 | ||
| 描述: | 21307 CC轴承是【SKF轴承 > 滚动轴承 > 球面滚子轴承】的型号,主要用在变速器、印刷机械、汽车发动机、轧钢机辊颈、印刷机械、石油钻机转环、立式电动机、电子、轻工机械、吹氧装置等各大领域 | ||
电话/微信:138-8949-5179
SKF 21307 CC轴承详细信息
21307 CC轴承是【SKF轴承 > 滚动轴承 > 球面滚子轴承】的型号,主要用在变速器、印刷机械、汽车发动机、轧钢机辊颈、印刷机械、石油钻机转环、立式电动机、电子、轻工机械、吹氧装置等各大领域。
SKF 21307 CC轴承详细参数
| 球面滚子轴承, 圆柱和圆锥孔, 圆柱型内孔, 无密封件 | ||||||||||
| 主要数据尺寸 | 基本负荷额定值 | 疲劳负荷限值 | 额定速度 | 体积 | 型号 | |||||
| 动态 | 静态 | 参照速度 | 限制速度 | |||||||
| d | D | B | C | C0 | Pu | |||||
| mm | kN | kN | r/min | kg | - | |||||
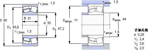
| 35 | 80 | 21 | 65,6 | 72 | 8,15 | 6700 | 9500 | 0,55 | 21307 CC | |
SKF 21307 CC轴承尺寸图纸

