李工:138-8949-5179 刘工:135-0428-8802
型号查询
轴承型号   常见搜索: 6205轴承 6014轴承 22222轴承 32313轴承 71913轴承 6007轴承
型号查询 X

轴承专区

Bearings Center

209 NR轴承-SKF 209 NR轴承尺寸、图纸、价格

SKF 209 NR轴承

产品名称:209 NR轴承 品牌:SKF
类型:SKF轴承 > 滚动轴承 > 深沟球轴承
描述:209 NR轴承是【SKF轴承 > 滚动轴承 > 深沟球轴承】的型号,主要用在内燃机、燃汽轮机、中型及大型电动机、后轮、轧钢机辊道子、石油钻机、挤压机、饮料设备、解体机、数控设备等各大领域

 电话/微信:138-8949-5179

SKF 209 NR轴承详细信息

209 NR轴承是【SKF轴承 > 滚动轴承 > 深沟球轴承】的型号,主要用在内燃机、燃汽轮机、中型及大型电动机、后轮、轧钢机辊道子、石油钻机、挤压机、饮料设备、解体机、数控设备等各大领域。

SKF 209 NR轴承详细参数

深沟球轴承, 单列,带装球缺口和止动环槽, 无密封件
主要数据尺寸基本负荷额定值疲劳负荷限值额定速度体积型号
动态静态参照速度限制速度轴承,带止动环止动环
dDBCC0Pu
mmkNkNr/minkg-
45851939,632,51,371400090000,44209 NRSP 85

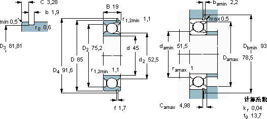
SKF 209 NR轴承尺寸图纸

李工:138-8949-5179

刘工:135-0428-8802

地址:辽宁省大连经济技术开发区现代城3栋-13-13号

在线客服系统