李工:138-8949-5179 刘工:135-0428-8802
型号查询
轴承型号   常见搜索: 2026轴承 6028轴承 6008轴承 6214轴承 2025轴承 6018轴承
型号查询 X

轴承专区

Bearings Center

206 NR轴承-SKF 206 NR轴承尺寸、图纸、价格

SKF 206 NR轴承

产品名称:206 NR轴承 品牌:SKF
类型:SKF轴承 > 滚动轴承 > 深沟球轴承
描述:206 NR轴承是【SKF轴承 > 滚动轴承 > 深沟球轴承】的型号,主要用在电气装置部件、空气压缩机、提升机、大型农业机械、振动筛、汽车转向销、船舶用螺旋桨轴、啤酒、土方机械、风力发电设备等各大领域

 电话/微信:138-8949-5179

SKF 206 NR轴承详细信息

206 NR轴承是【SKF轴承 > 滚动轴承 > 深沟球轴承】的型号,主要用在电气装置部件、空气压缩机、提升机、大型农业机械、振动筛、汽车转向销、船舶用螺旋桨轴、啤酒、土方机械、风力发电设备等各大领域。

SKF 206 NR轴承详细参数

深沟球轴承, 单列,带装球缺口和止动环槽, 无密封件
主要数据尺寸基本负荷额定值疲劳负荷限值额定速度体积型号
动态静态参照速度限制速度轴承,带止动环止动环
dDBCC0Pu
mmkNkNr/minkg-
30621622,917,30,73520000120000,21206 NRSP 62

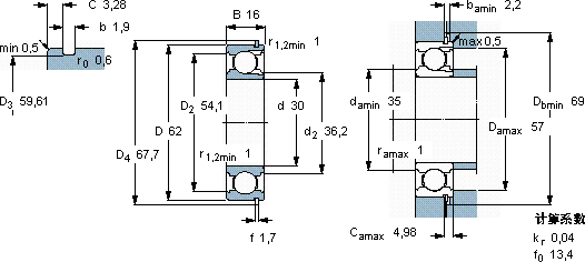
SKF 206 NR轴承尺寸图纸

李工:138-8949-5179

刘工:135-0428-8802

地址:辽宁省大连经济技术开发区现代城3栋-13-13号

在线客服系统