轴承专区
Bearings Center
16101-2Z轴承-SKF 16101-2Z轴承尺寸、图纸、价格
SKF 16101-2Z轴承
| 产品名称: | 16101-2Z轴承 | 品牌: | SKF |
|---|---|---|---|
| 类型: | SKF轴承 > 滚动轴承 > 深沟球轴承 | ||
| 描述: | 16101-2Z轴承是【SKF轴承 > 滚动轴承 > 深沟球轴承】的型号,主要用在燃汽轮机、离心分离机、木工机械、变速器、轧钢机齿轮箱座、石油钻机转环、电机厂、洗染、凿岩机械、抓钢机等各大领域 | ||
电话/微信:138-8949-5179
SKF 16101-2Z轴承详细信息
16101-2Z轴承是【SKF轴承 > 滚动轴承 > 深沟球轴承】的型号,主要用在燃汽轮机、离心分离机、木工机械、变速器、轧钢机齿轮箱座、石油钻机转环、电机厂、洗染、凿岩机械、抓钢机等各大领域。
SKF 16101-2Z轴承详细参数
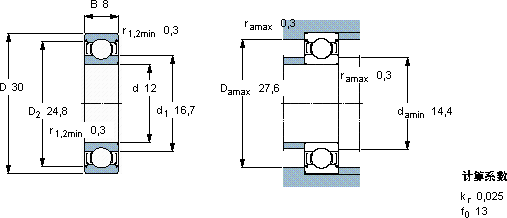
| 深沟球轴承, 单列, 两面防尘罩 | |||||||||||
| 主要数据尺寸 | 基本负荷额定值 | 疲劳负荷限值 | 额定速度 | 体积 | 型号 | ||||||
| 动态 | 静态 | 参照速度 | 限制速度 | ||||||||
| d | D | B | C | C0 | Pu | ||||||
| mm | kN | kN | r/min | kg | - | ||||||
| 12 | 30 | 8 | 5,07 | 2,36 | 0,1 | 56000 | 28000 | 0,023 | 16101-2Z | ||
SKF 16101-2Z轴承尺寸图纸

