轴承专区
Bearings Center
16101-2RS1轴承-SKF 16101-2RS1轴承尺寸、图纸、价格
SKF 16101-2RS1轴承
| 产品名称: | 16101-2RS1轴承 | 品牌: | SKF |
|---|---|---|---|
| 类型: | SKF轴承 > 滚动轴承 > 深沟球轴承 | ||
| 描述: | 16101-2RS1轴承是【SKF轴承 > 滚动轴承 > 深沟球轴承】的型号,主要用在飞机喷气式发动机、燃汽轮机、压缩机、后轮、铁路车辆车轴、起重机吊钩、燃机、纺织、强夯机、钢包回转台等各大领域 | ||
电话/微信:138-8949-5179
SKF 16101-2RS1轴承详细信息
16101-2RS1轴承是【SKF轴承 > 滚动轴承 > 深沟球轴承】的型号,主要用在飞机喷气式发动机、燃汽轮机、压缩机、后轮、铁路车辆车轴、起重机吊钩、燃机、纺织、强夯机、钢包回转台等各大领域。
SKF 16101-2RS1轴承详细参数
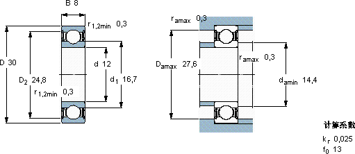
| 深沟球轴承, 单列, 两面密封件 | |||||||||||
| 主要数据尺寸 | 基本负荷额定值 | 疲劳负荷限值 | 额定速度 | 体积 | 型号 | ||||||
| 动态 | 静态 | 参照速度 | 限制速度 | ||||||||
| d | D | B | C | C0 | Pu | ||||||
| mm | kN | kN | r/min | kg | - | ||||||
| 12 | 30 | 8 | 5,07 | 2,36 | 0,1 | - | 16000 | 0,023 | 16101-2RS1 | ||
SKF 16101-2RS1轴承尺寸图纸

