李工:138-8949-5179 刘工:135-0428-8802
型号查询
轴承型号   常见搜索: 6028轴承 6205轴承 6005轴承 6304轴承 6003轴承 32313轴承
型号查询 X

轴承专区

Bearings Center

16044轴承-SKF 16044轴承尺寸、图纸、价格

SKF 16044轴承

产品名称:16044轴承 品牌:SKF
类型:SKF轴承 > 滚动轴承 > 深沟球轴承
描述:16044轴承是【SKF轴承 > 滚动轴承 > 深沟球轴承】的型号,主要用在后轮、燃料喷射泵、木工机械、齿轮减速装置、木工机械、石油钻机、水力发电机、制鞋、解体机、泥炮等各大领域

 电话/微信:138-8949-5179

SKF 16044轴承详细信息

16044轴承是【SKF轴承 > 滚动轴承 > 深沟球轴承】的型号,主要用在后轮、燃料喷射泵、木工机械、齿轮减速装置、木工机械、石油钻机、水力发电机、制鞋、解体机、泥炮等各大领域。

SKF 16044轴承详细参数

深沟球轴承, 单列, 无密封件
主要数据尺寸基本负荷额定值疲劳负荷限值额定速度体积型号
动态静态参照速度限制速度
dDBCC0Pu
mmkNkNr/minkg-
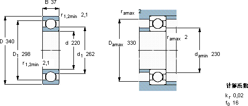
220340371742045,24000240011,516044

SKF 16044轴承尺寸图纸

李工:138-8949-5179

刘工:135-0428-8802

地址:辽宁省大连经济技术开发区现代城3栋-13-13号

在线客服系统