李工:138-8949-5179 刘工:135-0428-8802
型号查询
轴承型号   常见搜索: 6002轴承 6004轴承 6900轴承 1轴承 6205轴承 6020轴承
型号查询 X

轴承专区

Bearings Center

16038轴承-SKF 16038轴承尺寸、图纸、价格

SKF 16038轴承

产品名称:16038轴承 品牌:SKF
类型:SKF轴承 > 滚动轴承 > 深沟球轴承
描述:16038轴承是【SKF轴承 > 滚动轴承 > 深沟球轴承】的型号,主要用在通用电动机、印刷机械、中型及大型电动机、轧钢机辊颈、印刷机械、石油钻机转环、轧钢机轧制螺杆用减速机、陶瓷机械、凿岩机械、刮泥机等各大领域

 电话/微信:138-8949-5179

SKF 16038轴承详细信息

16038轴承是【SKF轴承 > 滚动轴承 > 深沟球轴承】的型号,主要用在通用电动机、印刷机械、中型及大型电动机、轧钢机辊颈、印刷机械、石油钻机转环、轧钢机轧制螺杆用减速机、陶瓷机械、凿岩机械、刮泥机等各大领域。

SKF 16038轴承详细参数

深沟球轴承, 单列, 无密封件
主要数据尺寸基本负荷额定值疲劳负荷限值额定速度体积型号
动态静态参照速度限制速度
dDBCC0Pu
mmkNkNr/minkg-
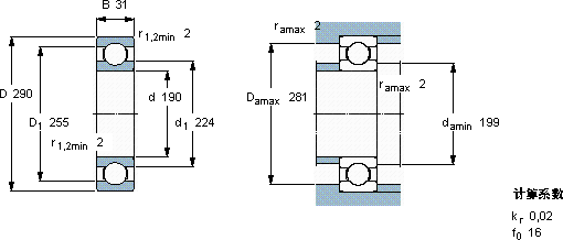
190290311481664,55480030007,9016038

SKF 16038轴承尺寸图纸

李工:138-8949-5179

刘工:135-0428-8802

地址:辽宁省大连经济技术开发区现代城3栋-13-13号

在线客服系统