李工:138-8949-5179 刘工:135-0428-8802
型号查询
轴承型号   常见搜索: 6026轴承 71913轴承 *轴承 6030轴承 6024轴承 6010轴承
型号查询 X

轴承专区

Bearings Center

1311 EKTN9 + H 311轴承-SKF 1311 EKTN9 + H 311轴承尺寸、图纸、价格

SKF 1311 EKTN9 + H 311轴承

产品名称:1311 EKTN9 + H 311轴承 品牌:SKF
类型:SKF轴承 > 滚动轴承 > 自调心球轴承
描述:1311 EKTN9 + H 311轴承是【SKF轴承 > 滚动轴承 > 自调心球轴承】的型号,主要用在燃汽轮机、离心分离机、汽车发动机、变速器、破碎机、制铁制钢机械、电机厂、音像设备、起重机械、抓钢机等各大领域

 电话/微信:138-8949-5179

SKF 1311 EKTN9 + H 311轴承详细信息

1311 EKTN9 + H 311轴承是【SKF轴承 > 滚动轴承 > 自调心球轴承】的型号,主要用在燃汽轮机、离心分离机、汽车发动机、变速器、破碎机、制铁制钢机械、电机厂、音像设备、起重机械、抓钢机等各大领域。

SKF 1311 EKTN9 + H 311轴承详细参数

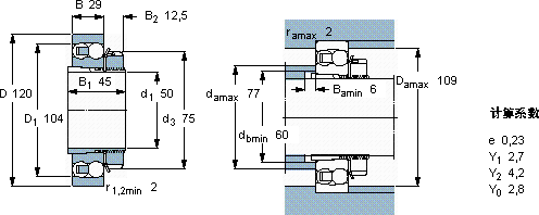
自调心球轴承, 带紧定套, 无密封件
主要数据尺寸基本负荷额定值疲劳负荷限值额定速度体积型号
动态静态参照速度限制速度轴承 + 紧定套
d1DBCC0Pu
mmkNkNr/minkg-
501202950,7180,921100075001,901311 EKTN9 + H 311

SKF 1311 EKTN9 + H 311轴承尺寸图纸

李工:138-8949-5179

刘工:135-0428-8802

地址:辽宁省大连经济技术开发区现代城3栋-13-13号

在线客服系统