轴承专区
Bearings Center
1215 K + H 215轴承-SKF 1215 K + H 215轴承尺寸、图纸、价格
SKF 1215 K + H 215轴承
| 产品名称: | 1215 K + H 215轴承 | 品牌: | SKF |
|---|---|---|---|
| 类型: | SKF轴承 > 滚动轴承 > 自调心球轴承 | ||
| 描述: | 1215 K + H 215轴承是【SKF轴承 > 滚动轴承 > 自调心球轴承】的型号,主要用在各种产业机械、离心分离机、减速装置、变速器、印刷机械、石油钻机转环、发电厂、化纤机械、凿岩机械、塔式车库等各大领域 | ||
电话/微信:138-8949-5179
SKF 1215 K + H 215轴承详细信息
1215 K + H 215轴承是【SKF轴承 > 滚动轴承 > 自调心球轴承】的型号,主要用在各种产业机械、离心分离机、减速装置、变速器、印刷机械、石油钻机转环、发电厂、化纤机械、凿岩机械、塔式车库等各大领域。
SKF 1215 K + H 215轴承详细参数
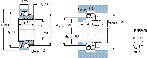
| 自调心球轴承, 带紧定套, 无密封件 | ||||||||||
| 主要数据尺寸 | 基本负荷额定值 | 疲劳负荷限值 | 额定速度 | 体积 | 型号 | |||||
| 动态 | 静态 | 参照速度 | 限制速度 | 轴承 + 紧定套 | ||||||
| d1 | D | B | C | C0 | Pu | |||||
| mm | kN | kN | r/min | kg | - | |||||
| 65 | 130 | 25 | 39 | 15,6 | 0,8 | 10000 | 6700 | 2,00 | 1215 K + H 215 | |
SKF 1215 K + H 215轴承尺寸图纸

