李工:138-8949-5179 刘工:135-0428-8802
型号查询
轴承型号   常见搜索: 6900轴承 6026轴承 6006轴承 617轴承 2026轴承 6304轴承
型号查询 X

轴承专区

Bearings Center

R166轴承-NTN R166轴承尺寸、图纸、价格

NTN R166轴承

产品名称:R166轴承 品牌:NTN
类型:NTN轴承 > 微型轴承 > 小型及微型轴承(英制)
描述:R166轴承是【NTN轴承 > 微型轴承 > 小型及微型轴承(英制)】的型号,主要用在装卸搬运机械、各类变速器、纺织机械传动轴、铁路车辆、各类产业用减速机、机床主轴、矿山、塑料、挖掘机、摩天轮等各大领域

 电话/微信:138-8949-5179

NTN R166轴承详细信息

R166轴承是【NTN轴承 > 微型轴承 > 小型及微型轴承(英制)】的型号,主要用在装卸搬运机械、各类变速器、纺织机械传动轴、铁路车辆、各类产业用减速机、机床主轴、矿山、塑料、挖掘机、摩天轮等各大领域。

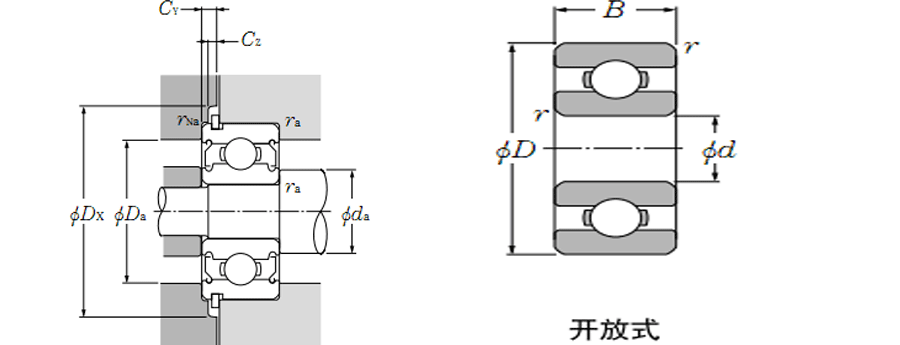
NTN R166轴承详细参数

型号R166
产品R166
备注开式
d4.762
D9.525
B3.175
B13.175
D110.72
C10.58
C20.79
rs(min)0.08
Cr710
C0r268
Cr72
C0r27
f013.3
grease46000
oil55000
kg0.8

NTN R166轴承尺寸图纸

李工:138-8949-5179

刘工:135-0428-8802

地址:辽宁省大连经济技术开发区现代城3栋-13-13号

在线客服系统