李工:138-8949-5179 刘工:135-0428-8802
型号查询
轴承型号   常见搜索: 6205轴承 6012轴承 6008轴承 6009轴承 6017轴承 6005轴承
型号查询 X

轴承专区

Bearings Center

NUKRU150/3AS轴承-NTN NUKRU150/3AS轴承尺寸、图纸、价格

NTN NUKRU150/3AS轴承

产品名称:NUKRU150/3AS轴承 品牌:NTN
类型:NTN轴承 > 滚轮轴承 > 螺栓滚轮
描述:NUKRU150/3AS轴承是【NTN轴承 > 滚轮轴承 > 螺栓滚轮】的型号,主要用在通用电动机、各类变速器、木工机械、铁路车辆、印刷机械、机床等的变速装置、轧钢机轧制螺杆用减速机、精细化工机械、工程船舶、太阳能发电设备等各大领域

 电话/微信:138-8949-5179

NTN NUKRU150/3AS轴承详细信息

NUKRU150/3AS轴承是【NTN轴承 > 滚轮轴承 > 螺栓滚轮】的型号,主要用在通用电动机、各类变速器、木工机械、铁路车辆、印刷机械、机床等的变速装置、轧钢机轧制螺杆用减速机、精细化工机械、工程船舶、太阳能发电设备等各大领域。

NTN NUKRU150/3AS轴承详细参数

轴承
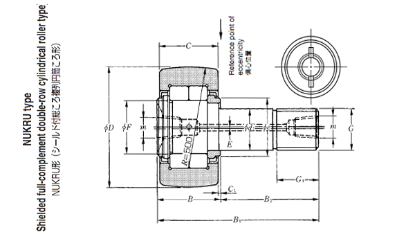
型号NUKRU150/3AS
主要尺寸(mm)
D150
d152
C60
F75.5
B63
B1170
B2107
GM52×1.5
G152
C11.5
mPT1/8
e85.5
E2
基本额定负荷
Cr258000
Cor26300
Cr380000
Cor39000
Loadratingsoftruck
球面外环22000
圆柱外环2250
球面外环173000
圆柱外环17600
润滑
grease1300
最大拧紧扭矩
N.m1950
kgf.m200
重量
kg9.7
螺柱直径
mm52

NTN NUKRU150/3AS轴承尺寸图纸

李工:138-8949-5179

刘工:135-0428-8802

地址:辽宁省大连经济技术开发区现代城3栋-13-13号

在线客服系统