轴承专区
Bearings Center
HNL 77轴承-NTN HNL 77轴承尺寸、图纸、价格
NTN HNL 77轴承
| 产品名称: | HNL 77轴承 | 品牌: | NTN |
|---|---|---|---|
| 类型: | NTN轴承 > 轴承附件 | ||
| 描述: | HNL 77轴承是【NTN轴承 > 轴承附件】的型号,主要用在电气装置部件、油泵、木工机械、机床主轴、轧钢机辊道子、石油钻机、船舶用螺旋桨轴、纺织、解体机、摩天轮等各大领域 | ||
电话/微信:138-8949-5179
NTN HNL 77轴承详细信息
HNL 77轴承是【NTN轴承 > 轴承附件】的型号,主要用在电气装置部件、油泵、木工机械、机床主轴、轧钢机辊道子、石油钻机、船舶用螺旋桨轴、纺织、解体机、摩天轮等各大领域。
NTN HNL 77轴承详细参数
| 轴承 | |
| 型号 | HNL 77 |
| 主要参数(mm) | |
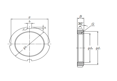
| G | Tr385 ×5 |
| d2 | 450 |
| d1 | 422 |
| g | 422 |
| b | 28 |
| h | 14 |
| d6 | 387.5 |
| B | 48 |
| r1 | 1 |
| l | − |
| s2 | − |
| dP | − |
| kg | 15 |
| 参考 | |
| 紧定套内径 | − |
| 垫圈型号 | − |
| 拆卸套型号 | |
| AH30 | AH 3072 |
| AH240 | − |
| AH31 | − |
| AH241 | − |
| AH22 | |
| AH2 | − |
| AH32 | − |
| AH3 | − |
| AH23 | − |
| 轴径 | |
| mm | − |
NTN HNL 77轴承尺寸图纸

