轴承专区
Bearings Center
6832N轴承-NTN 6832N轴承尺寸、图纸、价格
NTN 6832N轴承
| 产品名称: | 6832N轴承 | 品牌: | NTN |
|---|---|---|---|
| 类型: | NTN轴承 > 深沟球轴承 > 深沟球轴承 | ||
| 描述: | 6832N轴承是【NTN轴承 > 深沟球轴承 > 深沟球轴承】的型号,主要用在飞机喷气式发动机、燃料喷射泵、提升机、齿轮减速装置、铁路车辆车轴、起重机吊钩、燃机、玩具、专用车、厨具设备等各大领域 | ||
电话/微信:138-8949-5179
NTN 6832N轴承详细信息
6832N轴承是【NTN轴承 > 深沟球轴承 > 深沟球轴承】的型号,主要用在飞机喷气式发动机、燃料喷射泵、提升机、齿轮减速装置、铁路车辆车轴、起重机吊钩、燃机、玩具、专用车、厨具设备等各大领域。
NTN 6832N轴承详细参数
| 轴承 | |
| 型号 | 6832N |
| 属性 | |
| 产品 | 6832 |
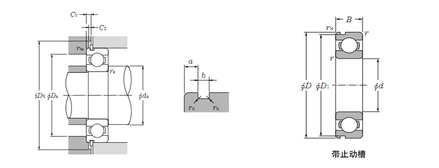
| 备注 | 带止动环槽 |
| 主要尺寸(mm) | |
| d | 160 |
| D | 200 |
| B | 20 |
| rs(min) | 1.10 |
| rNS(min) | 0.50 |
| 负荷(kn) | |
| Cr | 48.50 |
| C0r | 57.00 |
| 负荷(kgf) | |
| Cr | 4950 |
| C0r | 5800 |
| 因素 | |
| f0 | 16.10 |
| 限速(rpm) | |
| grease | 2900 |
| oil | 3400 |
| 重量 | |
| kg | 1.2300 |
NTN 6832N轴承尺寸图纸

