李工:138-8949-5179 刘工:135-0428-8802
型号查询
轴承型号   常见搜索: 6309轴承 6015轴承 6014轴承 6013轴承 617轴承 6909轴承
型号查询 X

轴承专区

Bearings Center

683轴承-NTN 683轴承尺寸、图纸、价格

NTN 683轴承

产品名称:683轴承 品牌:NTN
类型:NTN轴承 > 微型轴承 > 小型及微型轴承(公制)
描述:683轴承是【NTN轴承 > 微型轴承 > 小型及微型轴承(公制)】的型号,主要用在电气装置部件、燃汽轮机、挖土机履带轮、后轮、振动筛、石油钻机、船舶用螺旋桨轴、破碎、给料机械、风力发电设备等各大领域

 电话/微信:138-8949-5179

NTN 683轴承详细信息

683轴承是【NTN轴承 > 微型轴承 > 小型及微型轴承(公制)】的型号,主要用在电气装置部件、燃汽轮机、挖土机履带轮、后轮、振动筛、石油钻机、船舶用螺旋桨轴、破碎、给料机械、风力发电设备等各大领域。

NTN 683轴承详细参数

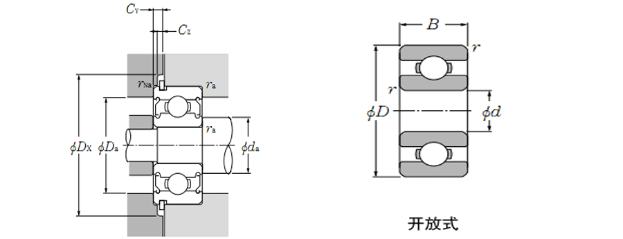
型号683
产品683
备注开式
d3
D7
B2
B13
D18.1
D28.1
C10.5
C20.8
rs(min)0.1
Cr390
C0r130
Cr40
C0r13
f013
grease58000
oil68000
kg0.33

NTN 683轴承尺寸图纸

李工:138-8949-5179

刘工:135-0428-8802

地址:辽宁省大连经济技术开发区现代城3栋-13-13号

在线客服系统