轴承专区
Bearings Center
QJ308轴承-NSK QJ308轴承尺寸、图纸、价格
NSK QJ308轴承
| 产品名称: | QJ308轴承 | 品牌: | NSK |
|---|---|---|---|
| 类型: | NSK轴承 > NSK通用轴承 > 角接触球轴承 | ||
| 描述: | QJ308轴承是【NSK轴承 > NSK通用轴承 > 角接触球轴承】的型号,主要用在变速器、差速器小齿轮轴、泵、小齿轮轴、各类产业用减速机、机床主轴、立式电动机、塑料、挖掘机、吹氧装置等各大领域 | ||
电话/微信:138-8949-5179
NSK QJ308轴承详细信息
QJ308轴承是【NSK轴承 > NSK通用轴承 > 角接触球轴承】的型号,主要用在变速器、差速器小齿轮轴、泵、小齿轮轴、各类产业用减速机、机床主轴、立式电动机、塑料、挖掘机、吹氧装置等各大领域。
NSK QJ308轴承详细参数
| 基本参数 | |
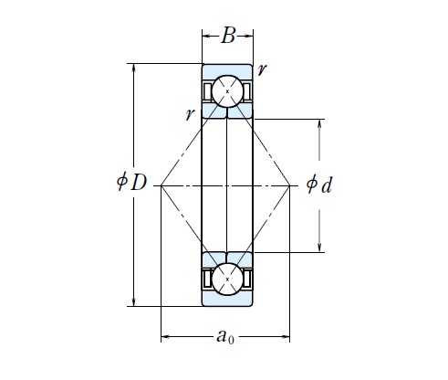
| TYPE | QJ308 |
| d | 40 |
| D | 90 |
| B | 23 |
| C | 1.5 |
| Cr(N) | 67000 |
| C0r(N) | 100000 |
| Grease | 6300 |
| Oil | 8500 |
| Mass(kg) | 0.78 |
NSK QJ308轴承尺寸图纸

