轴承专区
Bearings Center
64R7035轴承-KOYO 64R7035轴承尺寸、图纸、价格
KOYO 64R7035轴承
| 产品名称: | 64R7035轴承 | 品牌: | KOYO |
|---|---|---|---|
| 类型: | KOYO轴承 > 滚针轴承 | ||
| 描述: | 64R7035轴承是【KOYO轴承 > 滚针轴承】的型号,主要用在仪表、印刷机械、压缩机、轧钢机辊颈、破碎机、石油钻机转环、碾煤机、医药设备、凿岩机械、钢包回转台等各大领域 | ||
电话/微信:138-8949-5179
KOYO 64R7035轴承详细信息
64R7035轴承是【KOYO轴承 > 滚针轴承】的型号,主要用在仪表、印刷机械、压缩机、轧钢机辊颈、破碎机、石油钻机转环、碾煤机、医药设备、凿岩机械、钢包回转台等各大领域。
KOYO 64R7035轴承详细参数
| 参数 | 值 | 备注 |
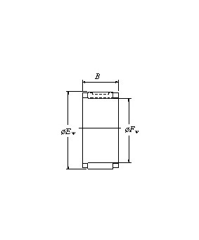
| Fw | 64 | |
| Ew | 70 | |
| D | ||
| OD | ||
| T | ||
| B | 35 | |
| R | ||
| R1 | ||
| CR | 55.7 | |
| C0R | 144 | |
| F0 | ||
| Grease | ||
| Oil | 7500 | |
| b_type | ||
| s_type |
KOYO 64R7035轴承尺寸图纸

