轴承专区
Bearings Center
LFKL52-SF轴承-INA LFKL52-SF轴承尺寸、图纸、价格
INA LFKL52-SF轴承
| 产品名称: | LFKL52-SF轴承 | 品牌: | INA |
|---|---|---|---|
| 类型: | INA轴承 > 滑块 | ||
| 描述: | LFKL52-SF轴承是【INA轴承 > 滑块】的型号,主要用在仪表、罗茨鼓风机、压缩机、建筑机械、减速装置、制铁制钢机械、碾煤机、化纤机械、起重机械、厨具设备等各大领域 | ||
电话/微信:138-8949-5179
INA LFKL52-SF轴承详细信息
LFKL52-SF轴承是【INA轴承 > 滑块】的型号,主要用在仪表、罗茨鼓风机、压缩机、建筑机械、减速装置、制铁制钢机械、碾煤机、化纤机械、起重机械、厨具设备等各大领域。
INA LFKL52-SF轴承详细参数
| 参数 | 值 | 备注 |
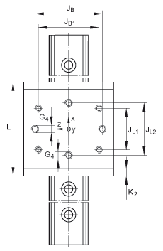
| H1 | 46,1 mm | |
| B | 130 mm | |
| L | 136 mm | |
| G4 | M10 | |
| H | 滑块和导轨的总高度:H = 54.3 mm对 LFS, -C, -CE, -CEE, -E, -EE, -N, -NZZH = 38.2 mm对 LFS..-F, -FEH = 118.9 mm对 LFS..-M导轨 LFS..-M 只能;和带可调游隙的滑块一起使用。如果要使用 SF 和 LFKL滑块,请先和我们联;系 | |
| H2 | 29,2 mm | 公差: +0,3 |
| H3 | 19,4 mm | |
| JB | 90 mm | 公差: +/-0,2 |
| JB1 | 83 mm | |
| JL1 | 60 mm | |
| JL2 | 70 mm | 公差: +/-0,2 |
| K2 | 10 mm | |
| mW | 1500 g | 滑块的质量 |
| MA | 40 Nm | 适用于标准设计。对滚轮的螺栓,向心螺栓的锁紧力矩应达到 MA。 |
| MA | 23 Nm | 可采用耐腐蚀设计 "RB"。对滚轮的螺栓,向心螺栓的锁紧力矩应达到 MA。 |
| 基本额定载荷不适用于 "-RB" 设计。 | ||
| Cy | 10000 N | y 方向的基本额定动载荷 |
| C0y | 5200 N | y 方向的基本额定静载荷 |
| Cz | 16800 N | z 方向的基本额定动载荷 |
| C0z | 10000 N | z 方向的基本额定静载荷 |
| Mx | 210 Nm | 绕 X 轴的额定动扭矩 |
| M0x | 110 Nm | 绕 X 轴的额定静扭矩 |
| My | 505 Nm | 绕 Y 轴的额定动扭矩 |
| M0y | 290 Nm | 绕 Y 轴的额定静扭矩 |
| Mz | 300 Nm | 绕 Z 轴的额定动扭矩 |
| M0z | 150 Nm | 绕 Z 轴的额定静扭矩 |
| 订货型号:- 耐腐蚀设计:滑块:LFCL..-RB导轨:LFS..-RB滚轮:LFR..-2RSR-RB- 不带孔的导轨:LFS..-OL | ||
| LFR5201-10-2Z | 使用的滚轮轴的直径:10 mm对于替换零件的订货,请和我们联;系。 | |
| LFS52 | 基于此导轨的基本额定载荷和额定扭矩的计算 |
INA LFKL52-SF轴承尺寸图纸

