李工:138-8949-5179 刘工:135-0428-8802
型号查询
轴承型号   常见搜索: 6018轴承 7014轴承 71913轴承 22222轴承 6015轴承 6017轴承
型号查询 X

轴承专区

Bearings Center

LFKL25-SF轴承-INA LFKL25-SF轴承尺寸、图纸、价格

INA LFKL25-SF轴承

产品名称:LFKL25-SF轴承 品牌:INA
类型:INA轴承 > 滑块
描述: LFKL25-SF轴承是【INA轴承 > 滑块】的型号,主要用在变速器、离心分离机、泵、变速器、印刷机械、石油钻机转环、立式电动机、破碎、凿岩机械、机械手等各大领域

 电话/微信:138-8949-5179

INA LFKL25-SF轴承详细信息

LFKL25-SF轴承是【INA轴承 > 滑块】的型号,主要用在变速器、离心分离机、泵、变速器、印刷机械、石油钻机转环、立式电动机、破碎、凿岩机械、机械手等各大领域。

INA LFKL25-SF轴承详细参数

参数备注
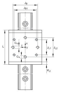
H123,5 mm
B65 mm
L85 mm
G4M5
H滑块和导轨的总高度:H = 25 mm对 LFS, -C, -CE, -CEE, -E, -EE, -N, -NZZH = 56 mm对 LFS..-M导轨 LFS..-M 只能;和带可调游隙的滑块一起使用。如果要使用 SF 和 LFKL滑块,请先和我们联;系
H214,4 mm公差: +0,3
H39 mm
JB50 mm公差: +/-0,2
JB140 mm
JL145 mm
JL260 mm公差: +/-0,2
K25 mm
mW300 g滑块的质量
MA2,5 Nm适用于标准设计。对滚轮的螺栓,向心螺栓的锁紧力矩应达到 MA。
MA2,5 Nm可采用耐腐蚀设计 "RB"。对滚轮的螺栓,向心螺栓的锁紧力矩应达到 MA。
基本额定载荷不适用于 "-RB" 设计。
Cy1280 Ny 方向的基本额定动载荷
C0y820 Ny 方向的基本额定静载荷
Cz2580 Nz 方向的基本额定动载荷
C0z1800 Nz 方向的基本额定静载荷
Mx13 Nm绕 X 轴的额定动扭矩
M0x8 Nm绕 X 轴的额定静扭矩
My58 Nm绕 Y 轴的额定动扭矩
M0y40 Nm绕 Y 轴的额定静扭矩
Mz31 Nm绕 Z 轴的额定动扭矩
M0z18 Nm绕 Z 轴的额定静扭矩
订货型号:- 耐腐蚀设计:滑块:LFCL..-RB导轨:LFS..-RB滚轮:LFR..-2RSR-RB- 不带孔的导轨:LFS..-OL
无润滑嘴,可以通过端孔实现再润滑
LFR50/5-6-2Z使用的滚轮轴的直径:6 mm对于替换零件的订货,请和我们联;系。
LFS25基于此导轨的基本额定载荷和额定扭矩的计算

INA LFKL25-SF轴承尺寸图纸

李工:138-8949-5179

刘工:135-0428-8802

地址:辽宁省大连经济技术开发区现代城3栋-13-13号

在线客服系统