李工:138-8949-5179 刘工:135-0428-8802
型号查询
轴承型号   常见搜索: 6015轴承 6304轴承 6019轴承 6014轴承 71913轴承 6909轴承
型号查询 X

轴承专区

Bearings Center

BB1B 630533轴承-SKF BB1B 630533轴承尺寸、图纸、价格

SKF BB1B 630533轴承

产品名称:BB1B 630533轴承 品牌:SKF
类型:SKF轴承 > 滚动轴承 > 深沟球轴承
描述:BB1B 630533轴承是【SKF轴承 > 滚动轴承 > 深沟球轴承】的型号,主要用在变速器、罗茨鼓风机、桥式起重机、建筑机械、各类产业用减速机、石油钻机转环、立式电动机、破碎、轻工机械、正面吊等各大领域

 电话/微信:138-8949-5179

SKF BB1B 630533轴承详细信息

BB1B 630533轴承是【SKF轴承 > 滚动轴承 > 深沟球轴承】的型号,主要用在变速器、罗茨鼓风机、桥式起重机、建筑机械、各类产业用减速机、石油钻机转环、立式电动机、破碎、轻工机械、正面吊等各大领域。

SKF BB1B 630533轴承详细参数

深沟球轴承, 单列, 无密封件
主要数据尺寸基本负荷额定值疲劳负荷限值额定速度体积型号
动态静态参照速度限制速度
dDBCC0Pu
mmkNkNr/minkg-
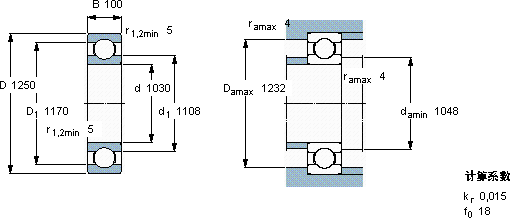
10301250100605176022700600250BB1B 630533

SKF BB1B 630533轴承尺寸图纸

李工:138-8949-5179

刘工:135-0428-8802

地址:辽宁省大连经济技术开发区现代城3栋-13-13号

在线客服系统